SR4P2A1B22
Usedformonitoringemergencystopswitchesandsafetydoorswitches!characteristic:1、Detectableshortcircuitfaultsininputcontacts;2、Canchoosebetweencontrolledmanualresetandautomaticreset;3、Circuitwithselfmonit...
Used for monitoring emergency stop switches and safety door switches!
characteristic:
1、Detectable short circuit faults in input contacts;
2、Can choose between controlled manual reset and automatic reset;
3、Circuit with self monitoring;
4、Real time monitoring of working status.
PL e;Security category:Cat.4; SIL 3
Main parameters:
| model | SR4P2A1B22 |
| RESET MODE | Manual or automatic |
| Working power supply | DC/AC85-264V |
| consumption | 3W |
| Output contact | 2N/O,1N/C |
| switching capacity | AC-15,5A/250V;?DC-13,6A/24V |
| Release buffer time | <15ms |
| Diagnostic Coverage | >99% |
| Mean time between dangerous failures | 60a |
| Average hourly hazardous failure rate | 4.7×10-8 |
| protection grade | IP50 |
| operation temperature | ??-10?~+55℃ |
| storage temperature | ??-40?~+85℃ |
| Wire cross-sectional area | Max.?2.5mm2 |
| Length | Longest Max.?100m |
| size | 96(L)×22.5(W)×116(H)mm |
| Compliant with standards | EN?60947-5-1,?EN?61000-6-2,?EN?61000-6-3,??IEC/EN?60204-1,?EN?ISO?13849-1 |
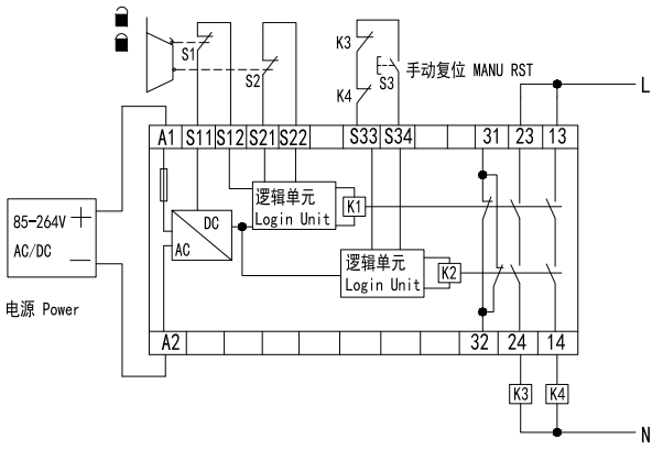
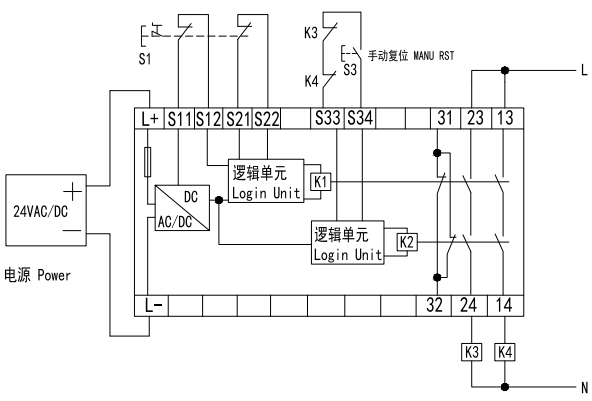
Wiring diagram:
?
exit:

EMERGENCY STOP:

?