SR4P3A1B24
Usedformonitoringemergencystopswitches,safetydoorswitches,anddualPNPoutputsafetylightcurtains.characteristic:1、Detectableshortcircuitfaultsininputcontacts;2、Canchoosebetweencontrolledmanualresetandaut...
Used for monitoring emergency stop switches, safety door switches, and dual PNP output safety light curtains.
characteristic:
1、Detectable short circuit faults in input contacts;
2、Can choose between controlled manual reset and automatic reset;
3、Circuit with self monitoring;
4、Real time monitoring of working status;
5、Multiple models available for selection。??
PL e;Security category:Cat.4; SIL 3。
Technical Parameter:
| model | SR4P3A1B24 |
| RESET MODE | Manual or automatic |
| Working power supply | DC/AC24V |
| consumption | 3W |
| Output contact | 3N/O,1N/C |
| switching capacity | AC-15,5A/250V;?DC-13,6A/24V |
| Release buffer time | <15ms |
| Diagnostic Coverage | >99% |
| Mean time between dangerous failures | 111a |
| Average hourly hazardous failure rate | 2.5×10-8 |
| protection grade | IP50 |
| operation temperature | ??-10?~+55℃ |
| storage temperature | ??-40?~+85℃ |
| Wire cross-sectional area | Max.?2.5mm2 |
| Length | Longest Max.?100m |
| size | 96(L)×22.5(W)×116(H)mm |
| Compliant with standards | EN?60947-5-1,?EN?61000-6-2,?EN?61000-6-3,??IEC/EN?60204-1,?EN?ISO?13849-1 |
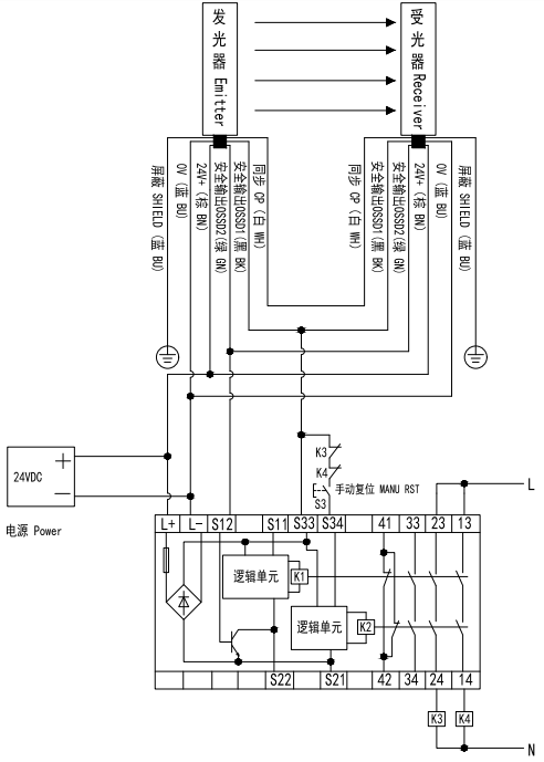
Wiring diagram:
?
exit:

EMERGENCY STOP:

Connected to safety light curtain (PNP output):
